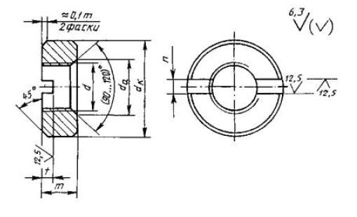
Гайка круглая шлицевая, класс точности А ГОСТ 11871-88.
Класс точности: А.
Поле допуска резьбы: 6H.
Марка стали: 35.
Гайка круглая шлицевая, класс точности А ГОСТ 11871-88 - фото - 2

Гайка круглая шлицевая, класс точности А ГОСТ 11871-88

Гайка круглая шлицевая, класс точности А ГОСТ 11871-88.
Класс точности: А.
Поле допуска резьбы: 6H.
Марка стали: 35.
Санкт-Петербургский Завод крепежных изделий © 2025г. Все права защищены
Адрес
СПб, г. Колпино, б-р Трудящихся, дом 2, лит. А., пом. 13-Н, офис 1
Яндекс.Метрика