Создание трубопроводов и прочих конструкций невозможно без применения специальных соединительных элементов. Один из них — фланец свободный на приварном кольце
Фланец стальной свободный на приварном кольце — обязательный элемент трубопровода, необходимый для создания надёжного, герметичного соединения труб с различным оборудованием, например, запорной арматурой
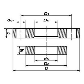
Фланцы свободные ГОСТ 12822-80 на приварном кольце - фото - 2

Фланцы свободные ГОСТ 12822-80 на приварном кольце

Создание трубопроводов и прочих конструкций невозможно без применения специальных соединительных элементов. Один из них — фланец свободный на приварном кольце
Фланец стальной свободный на приварном кольце — обязательный элемент трубопровода, необходимый для создания надёжного, герметичного соединения труб с различным оборудованием, например, запорной арматурой

Способ изготовления

Стальные фланцы на приварном кольце производятся двумя способами:

  • Литьё. Расплавленный металл вливается в форму нужной геометрии. После остывания материала, осуществляется дополнительная механическая обработка, позволяющая удалить заусенцы и прочие дефекты. Это недорогой способ, однако существует вероятность, что внутри детали образуются воздушные мешки, снижающие прочность изделия.
  • Резка. С помощью газовой или плазменной технологии деталь выпиливается из цельного листа стали, а затем дополнительно обрабатывается на станке. Арматура, произведённая таким способом, отличается высокой прочностью, поэтому она подходит для использования в трубопроводах с высоким давлением.

Фланец стальной свободный на приварном кольце — обязательный элемент трубопровода, необходимый для создания надёжного, герметичного соединения труб с различным оборудованием, например, запорной арматурой.

Особенности конструкции

Фланцы на приварном кольце ГОСТ представляют собой конструкцию, состоящую из двух частей: кольца и фланца. Важно, чтобы эти элементы имели одинаковое поперечное сечение. По сравнению с другими разновидностями — плоскими и воротниковыми моделями, свободные варианты отличаются более простым и удобным способом монтажа, поэтому фланцы на приварном кольце часто применяют в труднодоступных местах или участках, требующих регулярного ремонта.

Особенности монтажа

Фланец стальной свободный ГОСТ 12822 80 часто называют свободновращающийся, что объясняется особенностями конструкции изделия и способом монтажа. Сам процесс выглядит так:

  • Фланец надевается на трубу, но не фиксируется.
  • Кольцо, которым оборудовано изделия, стыкуется с участком при помощи сварки.

Такой способ обеспечивает максимально простой, но эффективный и надёжный монтаж.

Фланцы свободные на приварном кольце, изготовленные с соблюдением требований ГОСТ, обладают следующими параметрами:

  • рабочее давление, МПа: от 0,1 до 2,5;
  • диапазон температур, оС: от −30 до +300;
  • материал изготовления: сталь разных марок (20, 09Г2С, 12Х18Н9Т и других);
  • номинальный диаметр, мм: от 15 до 1200.

Размеры свободных фланцев ГОСТ 12822-80

  • Исполнение 1 — это фланцы свободные с соединительным выступом;
  • Исполнение 2 — это фланцы свободные с выступом;
  • Исполнение 3 — это фланцы свободные с впадиной;
  • Исполнение 4 — это фланцы свободные с шипом;
  • Исполнение 5 — это фланцы свободные с пазом;
  • Исполнение 6 — это фланцы свободные с шипом под фторопласт;
  • Исполнение 7 — это фланцы свободные с пазом под фторопласт.

Таблица 1 — Фланцы свободные на приварном кольце

Dу-Ру (мм-МПа) Масса 1 фланца, кг Dу-Ру (мм-МПа) Масса 1 фланца, кг Dу-Ру (мм-МПа) Масса 1 фланца, кг Dу-Ру (мм-МПа) Масса 1 фланца, кг
10×0,1/0,25/0,6 0,29 10×1,0 0,52 10×1,6 0,61 10×2,5 0.69
15×0,1/0,25/0,6 0,33 15×1,0 0,58 15×1,6 0,67 15×2,5 0,77
20×0,1/0,25/0,6 0,41 20×1,0 0,82 20×1,6 0,93 20×2,5 1,05
25×0,1/0,25/0,6 0,60 25×1,0 0,96 25×1,6 1,10 25×2,5 1,24
32×0,1/0,25/0,6 0,87 32×1,0 1,49 32×1,6 1,68 32×2,5 1,87
40×0,1/0,25/0,6 1,01 40×1,0 1,92 40×1,6 2,13 40×2,5 2.35
50×0,1/0,25/0,6 1,11 50×1,0 2,27 50×1,6 2,54 50×2,5 2,79
65×0,1/0,25/0,6 1,55 65×1,0 3,01 65×1,6 3,31 65×2,5 3,43
80×0,1/0,25/0,6 2,05 80×1,0 3,77 80×1,6 4,11 80×2,5 4,25
100×0,1/0,25/0,6 2.38 100×1,0 4,55 100×1,6 4,93 100×2,5 6,19
125×0,1/0,25/0,6 2,84 125×1,0 6,09 125×1,6 6,56 125×2,5 8,82
150×0,1/0,25/0,6 3.94 150×1,0 7,86 150×1,6 8,48 150×2,5 10,52
200×0,1/0,25/0,6 4,93 200×1,0 9,02 200×1,6 9,36 200×2,5 12,62
250×0,1/0,25/0,6 6.38 250×1,0 11,30 250×1,6 13,90 250×2,5 17,72
300×0,1/0,25/0,6 10,35 300×1,0 13,87 300×1,6 17,90 300×2,5 22,82
350×0,1/0,25/0,6 13,50 350×1,0 18,02 350×1,6 22,80 350×2,5 31,73
400×0,1/0,25/0,6 17.04 400×1,0 24,38 400×1,6 29,08 400×2,5 42.51
450×0,1/0,25/0,6 20,06 450×1,0 25,64 450×1,6 35,30 450×2,5 48,15
500×0,1/0,25/0,6 25,44 500×1,0 33,25 500×1,6 49,26 500×2,5 64,57

Таблица 2 — Кольца приварные

Dу-Ру (мм-МПа) Масса 1 кольца, кг (исполнение1) Масса 1 кольца, кг (исполнение2) Масса 1 кольца, кг (исполнение3) Dу-Ру (мм-МПа Масса 1 кольца, кг (исполнение1) Масса 1 кольца, кг (исполнение2) Масса 1 кольца, кг (исполнение3)
10×0,1/0,25/0,6 0,05 0,04 0,04 10×1,0 0,08 0.08 0,07
15×0,1/0,25/0,6 0,06 0,05 0,05 15×1,0 0,11 0,09 0,08
20×0,1/0,25/0,6 0,12 0,10 0,09 20×1,0 0,20 0,18 0,17
25×0,1/0,25/0,6 0,16 0,13 0,13 25×1,0 0,27 0,23 0,22
32×0,1/0,25/0,6 0,21 0,18 0,17 32×1,0 0,34 0,30 0,29
40×0,1/0,25/0,6 0,27 0,23 0,22 40×1,0 0,42 0,37 0,35
50×0,1/0,25/0,6 . 0,35 0,32 0,30 50×1,0 0,62 0,55 0,54
65×0,1/0,25/0,6 0,55 0,49 0,46 65×1,0 0,90 0,82 0,78
80×0,1/0,25/0,6 0,73 0,65 0,63 80×1,0 1,10 0,98 0,97
100×0,1/0,25/0,6 0,88 0.81 0,75 100×1,0 1,31 1,24 1.11
125×0,1/0,25/0,6 1.27 1,11 1,02 125×1,0 1.96 1.84 1,71
150×0,1/0,25/0,6 1,75 1,58 1,44 150×1,0 2,43 2,26 2,03
200×0,1/0,25/0,6 2,06 1,95 1,80 200×1,0 2,94 2,83 2,58
250×0,1/0,25/0,6 2,53 2,40 2,20 250×1,0 3,78 3,66 3,35
300×0,1/0,25/0,6 3,40 3,20 2.87 300×1,0 4,24 4,08 3,58
350×0,1/0,25/0,6 3,71 3,49 3,131 350×1,0 6,33 6,09 5,44
400×0,1/0,25/0,6 5,14 4,89 4,471 400×1,0 8,15 8,43 7,08
450×0,1/0,25/0,6 5,92 5,57 5,171 450×1,0 8,44 8,15 7,35
500×0,1/0,25/0,6 7,05 6,73 6,101 500×1,0 10,58 10,22 9,33

Таблица 3 — Кольца приварные

Dу-Ру (мм-МПа) Масса 1 кольца, кг (исполнение1) Масса 1 кольца, кг (исполнение2) Масса 1 кольца, кг (исполнение3) Dу-Ру (мм-МПа) Масса 1 кольца, кг (исполнение1) Масса 1 кольца, кг (исполнение2) Масса 1 кольца, кг (исполнение3)
10×1,6 0,10 0,09 0,08 10×2,5 0,12 0.11 0.10
15×1,6 0,13 0,11 0,10 15×2,5 0,15 0,14 0,12
20×1,6 0,24 0.22 0,20 20×2,5 0,27 0,24 0,23
25×1,6 0,31 0,28 0,25 25×2,5 0,36 0,32 0,31
32×1,6 0,46 0,41 0,39 32×2,5 0,46 0,40 0,39
40×1,6 0,56 0,51 0,49 40×2,5 0.56 0.58 0,57
50×1,6 0,71 0,64 0,62 50×2,5 0,79 0,72 0,71
65×1,6 1,01 0,94 0,93 65×2,5 1,12 1,05 1,01
80×1,6 1,23 1,12 1,10 80×2,5 1,37 1,26 1,25
100×1,6 1,64 1,57 1,51 100×2,5 1,95 1,88 1,78
125×1,6 2.18 2.06 2.04 125×2,5 2,61 2,50 2,37
150×1,6 2,98 2,79 2,55 150×2,5 3,63 3,37 3,19
200×1,6 3,24 3,12 3,00 200×2,5 4,34 4,15 4,03
250×1,6 4,12 4,00 3,69 250×2,5 6,04 5,68 5,61
300×1,6 5,51 5,17 4,85 300×2,5 7,45 6,82 6,79
350×1,6 7,97 7,52 7,08 350×2,5 10,43 9,64 9,54
400×1,6 10,12 9,62 9,05 400×2,5 13.60 12,63 12.57
450×1,6 12,48 11,55 11,36 450×2,5 14,36 13,29 13,27
500×1,6 16,86 15,58 15,61 500×2,5 19,21 17,73 17,94

Достоинства изделий

Фланцы на приварном кольце обладают рядом преимуществ:

  • Просты и удобны в монтаже, поэтому подходят для использования в самых труднодоступных местах.
  • Благодаря свободному вращению кольца процесс стыковки с отверстиями для болтов упрощается.
  • Не контактируют с рабочей средой, что позволяет применять варианты из недорогой углеродистой стали, дополненные трубами с антикоррозийным покрытием.
  • Можно использовать повторно.

Санкт-Петербургский завод-производитель «Элементы систем гидравлики» предлагает купить фланцы свободновращающиеся, изготовленные из различных марок стали. Вся продукция имеет необходимые сертификаты качества и паспорта. А если остались вопросы, сотрудники компании ответят на них, подробно расскажут о реализуемых фланцах, помогут оформить заказ.

Изготовление

Способ изготовления

Стальные фланцы на приварном кольце производятся двумя способами:

  • Литьё. Расплавленный металл вливается в форму нужной геометрии. После остывания материала, осуществляется дополнительная механическая обработка, позволяющая удалить заусенцы и прочие дефекты. Это недорогой способ, однако существует вероятность, что внутри детали образуются воздушные мешки, снижающие прочность изделия.
  • Резка. С помощью газовой или плазменной технологии деталь выпиливается из цельного листа стали, а затем дополнительно обрабатывается на станке. Арматура, произведённая таким способом, отличается высокой прочностью, поэтому она подходит для использования в трубопроводах с высоким давлением.
Назначение и варианты исполнения

Фланец стальной свободный на приварном кольце — обязательный элемент трубопровода, необходимый для создания надёжного, герметичного соединения труб с различным оборудованием, например, запорной арматурой.

Особенности конструкции

Фланцы на приварном кольце ГОСТ представляют собой конструкцию, состоящую из двух частей: кольца и фланца. Важно, чтобы эти элементы имели одинаковое поперечное сечение. По сравнению с другими разновидностями — плоскими и воротниковыми моделями, свободные варианты отличаются более простым и удобным способом монтажа, поэтому фланцы на приварном кольце часто применяют в труднодоступных местах или участках, требующих регулярного ремонта.

Особенности монтажа

Фланец стальной свободный ГОСТ 12822 80 часто называют свободновращающийся, что объясняется особенностями конструкции изделия и способом монтажа. Сам процесс выглядит так:

  • Фланец надевается на трубу, но не фиксируется.
  • Кольцо, которым оборудовано изделия, стыкуется с участком при помощи сварки.

Такой способ обеспечивает максимально простой, но эффективный и надёжный монтаж.

Технические характеристики

Фланцы свободные на приварном кольце, изготовленные с соблюдением требований ГОСТ, обладают следующими параметрами:

  • рабочее давление, МПа: от 0,1 до 2,5;
  • диапазон температур, оС: от −30 до +300;
  • материал изготовления: сталь разных марок (20, 09Г2С, 12Х18Н9Т и других);
  • номинальный диаметр, мм: от 15 до 1200.

Размеры свободных фланцев ГОСТ 12822-80

  • Исполнение 1 — это фланцы свободные с соединительным выступом;
  • Исполнение 2 — это фланцы свободные с выступом;
  • Исполнение 3 — это фланцы свободные с впадиной;
  • Исполнение 4 — это фланцы свободные с шипом;
  • Исполнение 5 — это фланцы свободные с пазом;
  • Исполнение 6 — это фланцы свободные с шипом под фторопласт;
  • Исполнение 7 — это фланцы свободные с пазом под фторопласт.

Таблица 1 — Фланцы свободные на приварном кольце

Dу-Ру (мм-МПа) Масса 1 фланца, кг Dу-Ру (мм-МПа) Масса 1 фланца, кг Dу-Ру (мм-МПа) Масса 1 фланца, кг Dу-Ру (мм-МПа) Масса 1 фланца, кг
10×0,1/0,25/0,6 0,29 10×1,0 0,52 10×1,6 0,61 10×2,5 0.69
15×0,1/0,25/0,6 0,33 15×1,0 0,58 15×1,6 0,67 15×2,5 0,77
20×0,1/0,25/0,6 0,41 20×1,0 0,82 20×1,6 0,93 20×2,5 1,05
25×0,1/0,25/0,6 0,60 25×1,0 0,96 25×1,6 1,10 25×2,5 1,24
32×0,1/0,25/0,6 0,87 32×1,0 1,49 32×1,6 1,68 32×2,5 1,87
40×0,1/0,25/0,6 1,01 40×1,0 1,92 40×1,6 2,13 40×2,5 2.35
50×0,1/0,25/0,6 1,11 50×1,0 2,27 50×1,6 2,54 50×2,5 2,79
65×0,1/0,25/0,6 1,55 65×1,0 3,01 65×1,6 3,31 65×2,5 3,43
80×0,1/0,25/0,6 2,05 80×1,0 3,77 80×1,6 4,11 80×2,5 4,25
100×0,1/0,25/0,6 2.38 100×1,0 4,55 100×1,6 4,93 100×2,5 6,19
125×0,1/0,25/0,6 2,84 125×1,0 6,09 125×1,6 6,56 125×2,5 8,82
150×0,1/0,25/0,6 3.94 150×1,0 7,86 150×1,6 8,48 150×2,5 10,52
200×0,1/0,25/0,6 4,93 200×1,0 9,02 200×1,6 9,36 200×2,5 12,62
250×0,1/0,25/0,6 6.38 250×1,0 11,30 250×1,6 13,90 250×2,5 17,72
300×0,1/0,25/0,6 10,35 300×1,0 13,87 300×1,6 17,90 300×2,5 22,82
350×0,1/0,25/0,6 13,50 350×1,0 18,02 350×1,6 22,80 350×2,5 31,73
400×0,1/0,25/0,6 17.04 400×1,0 24,38 400×1,6 29,08 400×2,5 42.51
450×0,1/0,25/0,6 20,06 450×1,0 25,64 450×1,6 35,30 450×2,5 48,15
500×0,1/0,25/0,6 25,44 500×1,0 33,25 500×1,6 49,26 500×2,5 64,57

Таблица 2 — Кольца приварные

Dу-Ру (мм-МПа) Масса 1 кольца, кг (исполнение1) Масса 1 кольца, кг (исполнение2) Масса 1 кольца, кг (исполнение3) Dу-Ру (мм-МПа Масса 1 кольца, кг (исполнение1) Масса 1 кольца, кг (исполнение2) Масса 1 кольца, кг (исполнение3)
10×0,1/0,25/0,6 0,05 0,04 0,04 10×1,0 0,08 0.08 0,07
15×0,1/0,25/0,6 0,06 0,05 0,05 15×1,0 0,11 0,09 0,08
20×0,1/0,25/0,6 0,12 0,10 0,09 20×1,0 0,20 0,18 0,17
25×0,1/0,25/0,6 0,16 0,13 0,13 25×1,0 0,27 0,23 0,22
32×0,1/0,25/0,6 0,21 0,18 0,17 32×1,0 0,34 0,30 0,29
40×0,1/0,25/0,6 0,27 0,23 0,22 40×1,0 0,42 0,37 0,35
50×0,1/0,25/0,6 . 0,35 0,32 0,30 50×1,0 0,62 0,55 0,54
65×0,1/0,25/0,6 0,55 0,49 0,46 65×1,0 0,90 0,82 0,78
80×0,1/0,25/0,6 0,73 0,65 0,63 80×1,0 1,10 0,98 0,97
100×0,1/0,25/0,6 0,88 0.81 0,75 100×1,0 1,31 1,24 1.11
125×0,1/0,25/0,6 1.27 1,11 1,02 125×1,0 1.96 1.84 1,71
150×0,1/0,25/0,6 1,75 1,58 1,44 150×1,0 2,43 2,26 2,03
200×0,1/0,25/0,6 2,06 1,95 1,80 200×1,0 2,94 2,83 2,58
250×0,1/0,25/0,6 2,53 2,40 2,20 250×1,0 3,78 3,66 3,35
300×0,1/0,25/0,6 3,40 3,20 2.87 300×1,0 4,24 4,08 3,58
350×0,1/0,25/0,6 3,71 3,49 3,131 350×1,0 6,33 6,09 5,44
400×0,1/0,25/0,6 5,14 4,89 4,471 400×1,0 8,15 8,43 7,08
450×0,1/0,25/0,6 5,92 5,57 5,171 450×1,0 8,44 8,15 7,35
500×0,1/0,25/0,6 7,05 6,73 6,101 500×1,0 10,58 10,22 9,33

Таблица 3 — Кольца приварные

Dу-Ру (мм-МПа) Масса 1 кольца, кг (исполнение1) Масса 1 кольца, кг (исполнение2) Масса 1 кольца, кг (исполнение3) Dу-Ру (мм-МПа) Масса 1 кольца, кг (исполнение1) Масса 1 кольца, кг (исполнение2) Масса 1 кольца, кг (исполнение3)
10×1,6 0,10 0,09 0,08 10×2,5 0,12 0.11 0.10
15×1,6 0,13 0,11 0,10 15×2,5 0,15 0,14 0,12
20×1,6 0,24 0.22 0,20 20×2,5 0,27 0,24 0,23
25×1,6 0,31 0,28 0,25 25×2,5 0,36 0,32 0,31
32×1,6 0,46 0,41 0,39 32×2,5 0,46 0,40 0,39
40×1,6 0,56 0,51 0,49 40×2,5 0.56 0.58 0,57
50×1,6 0,71 0,64 0,62 50×2,5 0,79 0,72 0,71
65×1,6 1,01 0,94 0,93 65×2,5 1,12 1,05 1,01
80×1,6 1,23 1,12 1,10 80×2,5 1,37 1,26 1,25
100×1,6 1,64 1,57 1,51 100×2,5 1,95 1,88 1,78
125×1,6 2.18 2.06 2.04 125×2,5 2,61 2,50 2,37
150×1,6 2,98 2,79 2,55 150×2,5 3,63 3,37 3,19
200×1,6 3,24 3,12 3,00 200×2,5 4,34 4,15 4,03
250×1,6 4,12 4,00 3,69 250×2,5 6,04 5,68 5,61
300×1,6 5,51 5,17 4,85 300×2,5 7,45 6,82 6,79
350×1,6 7,97 7,52 7,08 350×2,5 10,43 9,64 9,54
400×1,6 10,12 9,62 9,05 400×2,5 13.60 12,63 12.57
450×1,6 12,48 11,55 11,36 450×2,5 14,36 13,29 13,27
500×1,6 16,86 15,58 15,61 500×2,5 19,21 17,73 17,94

Достоинства изделий

Фланцы на приварном кольце обладают рядом преимуществ:

  • Просты и удобны в монтаже, поэтому подходят для использования в самых труднодоступных местах.
  • Благодаря свободному вращению кольца процесс стыковки с отверстиями для болтов упрощается.
  • Не контактируют с рабочей средой, что позволяет применять варианты из недорогой углеродистой стали, дополненные трубами с антикоррозийным покрытием.
  • Можно использовать повторно.

Санкт-Петербургский завод-производитель «Элементы систем гидравлики» предлагает купить фланцы свободновращающиеся, изготовленные из различных марок стали. Вся продукция имеет необходимые сертификаты качества и паспорта. А если остались вопросы, сотрудники компании ответят на них, подробно расскажут о реализуемых фланцах, помогут оформить заказ.

Санкт-Петербургский Завод крепежных изделий © 2025г. Все права защищены
Адрес
СПб, г. Колпино, б-р Трудящихся, дом 2, лит. А., пом. 13-Н, офис 1
Яндекс.Метрика