Болт ГОСТ Р 52646-2006 с увеличенным размером под ключ используется для фиксации соединений. Сфера применения различна: стальные строительные конструкции, мосты, изделия из металла.
Болт высокопрочный с шестигранной головкой и увеличенным размером под ключ, класс точности С ГОСТ Р 52646-2006 - фото - 2

Болт высокопрочный с шестигранной головкой и увеличенным размером под ключ, класс точности С ГОСТ Р 52646-2006

Болт ГОСТ Р 52646-2006 с увеличенным размером под ключ используется для фиксации соединений. Сфера применения различна: стальные строительные конструкции, мосты, изделия из металла.
  • Технические характеристики

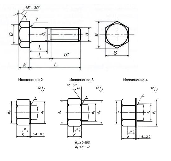
Болт ГОСТ Р 52646-2006: как устроен?

Крепежная деталь представлена головкой в виде шестигранника с размером под ключ 27-50 мм. Высота головки составляет 12-19 мм, а радиус — 4-12 мм. Цилиндрическая часть с метрической резьбой. Шаг варьируется от 2 до 3,5 мм, а номинальный диаметр представлен в диапазоне 16-30 мм. В зависимости от длины метиза резьба составляет от 38-72.

Деталь выполняется с классом точности С. Разрешено работать с полем допуска 6g.

Для изготовления применяются различные марки стали — конструкционные легированные 40Х, 30Х3МФ, 30Х2НМФА и другие.

Класс прочности составляет от 6,8 до 12,9. Это значит, что изделия способны выдержать от 600 до 1220 МПа.

Заказать высококачественный болт ГОСТ Р52646-2006 можно в каталоге «СПбЗКИ». Компания предлагает купить метизы мелким, крупным оптом различной длины в зависимости от нужд. Для оформления заполните форму или свяжитесь с менеджерами.

Технические характеристики

Болт ГОСТ Р 52646-2006: как устроен?

Крепежная деталь представлена головкой в виде шестигранника с размером под ключ 27-50 мм. Высота головки составляет 12-19 мм, а радиус — 4-12 мм. Цилиндрическая часть с метрической резьбой. Шаг варьируется от 2 до 3,5 мм, а номинальный диаметр представлен в диапазоне 16-30 мм. В зависимости от длины метиза резьба составляет от 38-72.

Деталь выполняется с классом точности С. Разрешено работать с полем допуска 6g.

Для изготовления применяются различные марки стали — конструкционные легированные 40Х, 30Х3МФ, 30Х2НМФА и другие.

Класс прочности составляет от 6,8 до 12,9. Это значит, что изделия способны выдержать от 600 до 1220 МПа.

Заказать высококачественный болт ГОСТ Р52646-2006 можно в каталоге «СПбЗКИ». Компания предлагает купить метизы мелким, крупным оптом различной длины в зависимости от нужд. Для оформления заполните форму или свяжитесь с менеджерами.

Санкт-Петербургский Завод крепежных изделий © 2025г. Все права защищены
Адрес
СПб, г. Колпино, б-р Трудящихся, дом 2, лит. А., пом. 13-Н, офис 1
Яндекс.Метрика